A-ONE
I/O Interface Board
8-Bit
Input / Output Expansion for the A-ONE Apple-1 Replica
Expand your A-ONE system with real hardware interaction.
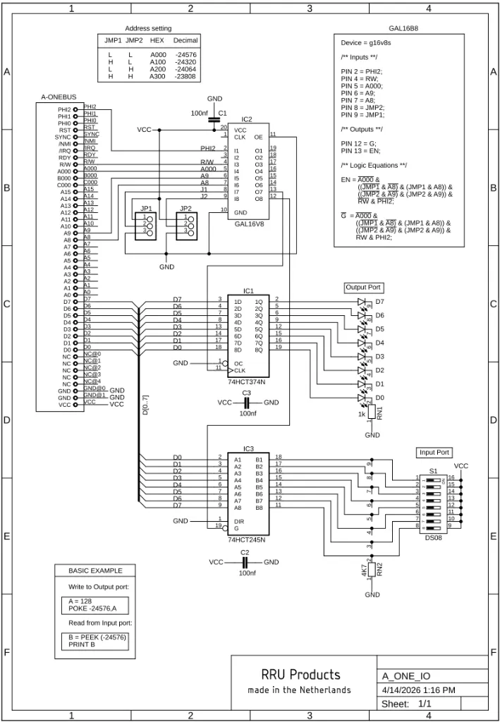
The A-ONE I/O Interface Board is a practical 8-bit input and output expansion card designed for the A-ONE Apple-1 replica platform. It allows users to directly read digital inputs and control external outputs from BASIC or machine code, making it perfect for retro-computing experiments, education, and hardware prototyping.
The board features a clear and intuitive layout with:
-
8 red LED indicators for output monitoring
-
8-position DIP switch input bank
-
Selectable I/O addresses via jumpers
-
Direct A-ONE bus connection
-
Ready-to-use visual input/output testing platform
Ideal for learning how early microcomputers interacted with the outside world.
Key Features
How It Works
The A-ONE I/O board uses memory-mapped I/O, just like classic 1970s computer hardware.
The DIP switch provides an 8-bit binary input value, while the LED row shows the 8-bit output value written by the computer.
For example in BASIC:
A = 128
POKE -24576, A
This writes the value to the output port and lights the corresponding LEDs.
To read the switch settings:
B = PEEK(-24576)
PRINT B
This makes it a fantastic tool for learning how vintage computers communicated with real-world hardware.
Perfect For
-
Retro computing enthusiasts
-
Apple-1 / A-ONE collectors
-
Educational demonstrations
-
Binary and logic experiments
-
BASIC programming projects
-
Hardware interfacing
What’s Included
-
1x A-ONE I/O Interface Board
-
Fully assembled and tested
-
Ready for direct use with your A-ONE system
Disclaimer
A-ONE is a modern replica system inspired by the 1976 Apple-1 computer. This product is not an original Apple product and is not affiliated with, endorsed by, or associated with Apple Inc. The name Apple-1 is used strictly as a historical reference for compatibility and educational purposes.